39.832 bytes

Product Information

Document ID: MCGN-45WU9P

Netfinity 5500 M20 - Processor board component locations and processor board jumpers

Applicable to: World-Wide

Source: Hardware Maintenance Manual

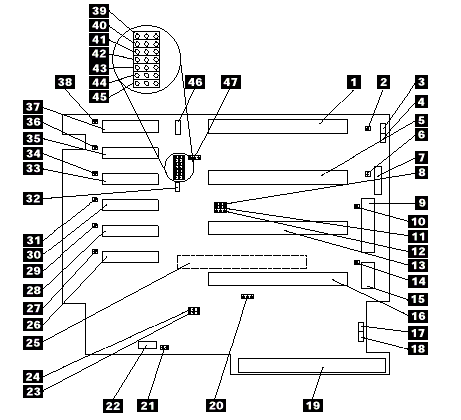
Processor board component locations
A layout of the processor board is shown in the following illustration.

1 Microprocessor 1 connector (J1)
2 Microprocessor 1 error LED (CR16)
3 Microprocessor 1 fan power connector (J7)
4 Microprocessor 2 fan power connector (J8)
5 Microprocessor 2 connector (J2)
6 Microprocessor 2 error LED (CR15)
7 Power control connector (to power backplane) (J33)
8 Reserved (might not be present) (J15)
9 Power connector (to power backplane) (J32)
10 Microprocessor 3 error LED (CR18)
11 Reserved (might not be present) (J22)
12 Reserved (might not be present) (J23)
13 Microprocessor 3 connector (J3)
14 Microprocessor 4 error LED (CR21)
15 Power connector (J35)
16 Microprocessor 4 connector (J4)
17 Microprocessor 3 fan power connector (J9)
18 Microprocessor 4 fan power connector (J10)
19 Memory board connector
20
Reserved (J24)
21 Reserved (J37)
22 Fan 4 connector (J36)
23 Reserved (might not be present) (J21)
24 Reserved (J20)
25 System board connector (on reverse side of processor board)
26 VRM 6 connector (J18)
27 VRM 6 error LED (CR4)
28 VRM 5 connector (J17)
29 VRM 5 error LED (CR7)
30 VRM 4 connector (J16)
31 VRM 4 error LED (CR2)
32 Reserved (J11)
33 VRM 3 connector (J14)
34 VRM 3 error LED (CR3)
35 VRM 2 connector (J13)
36 VRM 2 error LED (CR6)
37 VRM 1 connector (J12)
38 VRM 1 error LED (CR5)
39 - 42 Microprocessor core-frequency-selection jumper block (J31 - J28)
43 Reserved (J27)
44 Reserved (J25)
45 Reserved (J26)
46 Reserved (J19)
47 Reset system jumper block (J34)

Processor board jumpers
Table 14 contains the names and descriptions of the jumper blocks located on the processor board. Table 15 shows the microprocessor core-frequency-selection jumper settings. The highlighted numbers in the table refer to the highlighted numbers in the illustration in "Processor board component locations".

Notes
1. Turn off the server, and disconnect the power cords before moving any jumpers.
2. Be sure the microprocessor bus-to-core fraction is set correctly. For example, if you have a 400 MHz (2) (See footnote below) microprocessor installed and the system bus speed is 100 MHz (the default), jumpers J28-J31 are set to a bus-to-core fraction of 4 (400/100). See Table 15.


(2) 400 MHz denotes internal clock speed of the microprocessor only; other factors also affect application performance.

Attention
If the microprocessor bus-to-core fraction is incorrect, system board components will overheat and component damage might occur. Be sure that the microprocessor core frequency selection is properly set.


Table 14. Processor board jumpers

Jumper Name

Description

20 J24 Reserved

The default position is a jumper on pins 1 and 2.

22 J37 Reserved

The default position is a jumper on pins 1 and 2.

23 J21 Reserved

The default position is a jumper on pins 2 and 3.

24 J20 Reserved

The default position is a jumper on pins 1 and 2.

39 - 42 J31 - J28
Microprocessor core frequency selection

For the core/bus fraction 4 (400/100 MHz), jumpers are installed on pins 1 and 2 of J28, J30, and J31 and on pins 2 and 3 of J29.

For the core/bus fraction 4.5 (450/100 MHz), jumpers are installed on pins 1 and 2 of J28 and J31 and on pins 2 and 3 of J29 and J30.

For the core/bus fraction 5 (500/100 MHz), jumpers are installed on pins 1 and 2 of J30 and J31 and on pins 2 and 3 of J28 and J29.

43 J27 Reserved

The default position is a jumper on pins 1 and 2.

44 J25 Reserved

Reserved The default position is a jumper on pins 1 and 2.

45 J26 Reserved

The default position is a jumper on pins 2 and 3.

47 J34 Reset system

The default position for normal operation is no jumper on J34.

Installing a jumper on pins 1 and 2 will force the system into the reset state.




Table 15. Microprocessor core frequency selection switch (SW1) settings

Core/bus
fraction

J28
Jumper

J29
Jumper

J30
Jumper

J31
Jumper

4

Pins 1
and 2

Pins 2
and 3

Pins 1
and 2

Pins 1
and 2

4.5

Pins 1
and 2

Pins 2
and 3

Pins 2
and 3

Pins 1
and 2

5

Pins 2
and 3

Pins 2
and 3

Pins 1
and 2

Pins 1
and 2


Note: For jumper settings for other speed microprocessors, refer to the label on the inside top cover of the server.

Search Keywords

Document Category

Diagrams

Date Created

12-03-99

Last Updated

21-05-99

Revision Date

26-03-2000

Brand

IBM PC Server

Product Family

Netfinity 5500 M20

Machine Type

8662

Model

ALL

TypeModel

Retain Tip (if applicable)

Reverse Doclinks
and Admin Purposes