1.104.666 bytes

Product Information

Document ID: MIGR-47FQ68

Netfinity 1000 - Working with drives in bays 1 through 4

Applicable to: World-Wide

Working with drives in bays 1 through 4

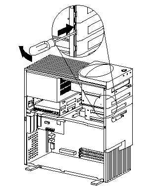
You install drives from the front of the server without removing the drive bay assembly. The drive bay assembly is permanently mounted to the chassis and cannot be removed.: The following illustration shows the server bays.



Note
The front drive bay assembly is also known as the upper drive bay assembly.

Attention
The presence of 5 V ac standby power might result in damage to the hardware unless you disconnect the
power cord from the electrical outlet before you open the server.

Note




Installing drives in the front drive bay assembly: This section gives the procedure for installing drives in the front drive bay assembly. If you want to remove a drive from the front drive bay assembly, follow the steps in Removing Drives from the drive bay assembly.

Note



1. Remove the bay panel (bezel) for the drive bay where you are installing the drive.
a. Locate the appropriate bay panel (bezel) in the front of the server.
b. Use the tip of a screwdriver, if necessary, to release the plastic tabs that hold the bay panel at the front of the server.
c. Remove the bay panel.



2. If knockouts are present in the drive bay opening, twist them with a screwdriver or pliers to remove. The following illustration shows the type of knockout in bays 2 and 3.


3. Install the drive in the bay opening and secure the drive by inserting screws.

Note
As shown in the following illustration, only two screws are needed to secure the drive within the drive bay.


4. Attach the cables to the drive. See ISA and PCI adapters for an illustration that shows the locations of the connectors on the riser card.


5. If the installed drive has nonremovable media, replace the bay panel (bezel).


6. If you installed a CD-ROM drive and want to connect the drive to the CD-ROM audio connector, see ISA
and PCI adapters to locate the CD-ROM audio connector on the riser card.

7. If you want to install or remove any other options, do so now. Otherwise, go to Completing the installation.

Removing Drives from the drive bay assembly:
To remove drives from the drive bay assembly, do the following:
1. If the drive being removed has nonremovable media, remove the bay panel (bezel).
a. Locate the appropriate bay panel (bezel) in the front of the server.
b. Use the tip of a screwdriver, if necessary, to release the plastic tabs that hold the bay panel at the front of the server.
c. Remove the bay panel.


2. Disconnect the cables from the drive that you want to remove.



3. Remove the visible screws that hold the drive and slide it out the front of the server.



4. If you are not installing another drive, replace the bay panel (bezel).


5. If you want to install or remove any other options, do so now. Otherwise, go to Completing the
installation.

Installing a drive in the drive bay assembly: This section gives the procedure for installing drives in the front drive bay assembly. If you want to remove a drive from the front drive bay assembly, reverse the order of the following steps.

Note



1. With the front of the drive bay assembly facing you, remove the metal shield for the drive bay you want to
use by pulling out the tabs on the sides of the shield until it flexes. Lift off one side, then the other.



2. Touch the static-protective package containing the new drive to any unpainted metal surface; then,
remove the drive from it.

3. Insert the drive into the desired unoccupied drive bay. Insert and tighten the screws that hold it in place.
The following illustration shows a hard disk drive being installed in bay 2.


4. Replace the top-handle cover.


5. Attach the cables to the drive, as shown in the following illustration.


6. If you have installed a drive with removable media, you must remove the bay panel (bezel). If you have
installed a drive with nonremovable media, you must install a bay panel (if it was not already installed).



7. To remove a bay panel (bezel):
a. Locate the appropriate bay panel in the front of the server.
b. Use the tip of a screwdriver, if necessary, to release the plastic tabs that hold the bay panel at the front of the server.
c. Remove the bay panel.



d. Continue with step 9.

8. To install a bay panel (bezel):
a. Align the right-hand edge of the bay panel with the matching opening in the front of the server.
b. Gently press the left edge closed until it snaps.


c. If you installed a CD-ROM drive and want to connect the drive to the CD-ROM audio connector, see ISA and PCI adapters to locate the CD-ROM audio connector on the riser card.
d. Go to Installing a drive in the drive bay assembly.

9. If you want to install or remove any other options, do so now. Otherwise, go to Completing the
installation.


Search Keywords

Document Category

Date Created

30-04-99

Last Updated

14-05-99

Revision Date

15-05-2000

Brand

IBM PC Server

Product Family

Netfinity 1000

Machine Type

8477

Model

All

TypeModel

Retain Tip (if applicable)

Reverse Doclinks
and Admin Purposes