60.740 bytes

Service Hints & Tips

Document ID: DDSE-3QNJ9H

PCServer704 - Power supply information

Applicable to: World-Wide

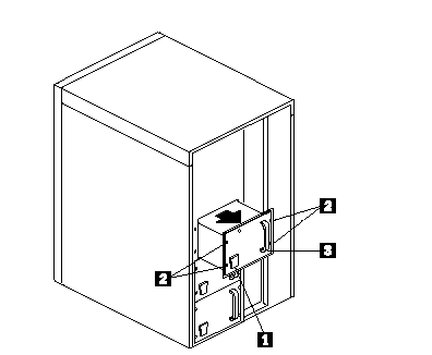
Power Supply

1. AC power cord receptacle
2. Screws
3. Power supply handle

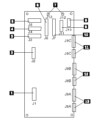
Power Supply to Power Distribution Board Interface

1. J1, power to lower SCSI hard drive backplane
2. J2, power to upper SCSI hard drive backplane
3. J3, +5.1 Vdc and +12 Vdc power to system peripherals
4. J4, +5.1 Vdc and +12 Vdc power to system peripherals
5. J5, +5.1 Vdc and +12 Vdc power to diskette drives
6. J6, power to J9 on system board
7. J12 and 13, fan connectors
8. J10, I2 C connector
9. J11, power control signal to J11 system on system board
10. J7, power to J10 on system board
11, 12, 13 J9A, J9B, J9C, DC power connections from supply

Pin Position Description

1,6 Ground
7 +3.3 Vdc
8 +12 Vdc
9 -12 Vdc
10 -5 Vdc
11, 12 +5.1 Vdc
13, 17 Ground
18, 19 +3.3 Vdc
20, 21 +12 Vdc
22, 24 +5.1 Vdc


11, 12, 13 J8A, J8B, J8C, Power control and status signals from supply

Pin Position Description

1 +5 Vdc remote sense (+)
2 +12 Vdc remote sense (+)
3 +3.3 Vdc remote sense (+)
4 Ground remote sense (-)
5 +5 Vdc load share
6 +12 Vdc load share
7 +3.3 Vdc load share
8 PON
9 Vbias
10 +5 V standby
11 FAULT
12 Ground
13 Power good
14,15 NC




Power Supplies and Pad Locks


Search Keywords

Hint Category

Hardware Maintenance Information, Power

Date Created

14-06-96

Last Updated

01-06-98

Revision Date

30-05-99

Brand

IBM PC Server

Product Family

PC Server 704

Machine Type

8650

Model

TypeModel

Retain Tip (if applicable)

Reverse Doclinks
and Admin Purposes