|
93.377 bytes |
Service Hints & Tips |
Document ID: GSMH-3DBGZ2 |
TP Dock II - Inside Views
Applicable to: World-Wide
Locations:
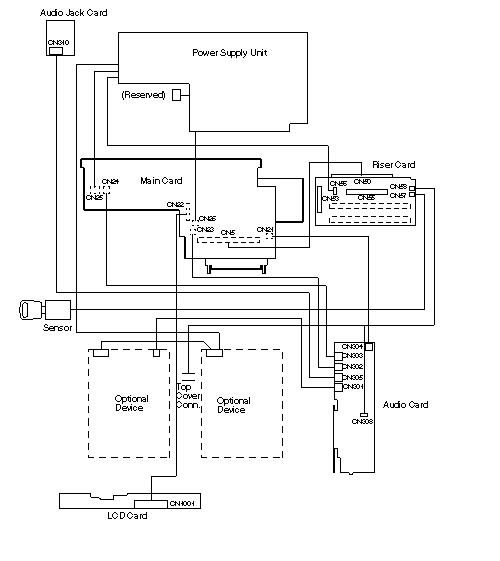
Main Card:
|
1 |
External Diskette Drive Connector (26-pin) |
|
2 |
External Display Connector (15-pin) |
|
3 |
External SCSI Connector |
|
4 |
Keyboard/Numeric Keyboard Connector |
|
5 |
Mouse/Pointing Device Connector (6-pin) |
|
6 |
Serial Connector (9-pin) |
|
7 |
Parallel Connector (25-pin) |
|
8 |
Power Supply Connector (CN25) |
|
9 |
Power Supply Connector (CN26) |
Audio Card:
|
1 |
CD-ROM Audio Connector (CN301) |
|
2 |
Audio Jack Connector (CN305) |
|
3 |
Main Card Connector (CN302) |
|
4 |
Connector (Reserved) (CN303) |
|
5 |
Main Card Connector (CN304) |
|
6 |
Top Cover Connector (CN308) |
Riser Card:
|
1 |
Sensor Connector (CN57) |
|
2 |
Top Cover Connector (CN58 |
|
3 |
Main Card Connector (CN50) |
|
4 |
Internal SCSI Connector (CN55) |
|
5 |
Power Supply Connector (CN56) |
|
6 |
Internal IDE Connector (CN53) |
|
7 |
AT Slot 1 |
|
8 |
AT Slot 2 |
LCD Circuit Board Group:
|
1 |
Main Card Connector (CN1001) |
Power Supply:
|
1 |
Power Supply Connector (CN25) |
|
2 |
Power Supply Connector (CN56) |
|
3 |
SCSI Power Supply Connector (4-pin) |
|
4 |
Power Supply Connector (reserved) |
|
5 |
Power Supply Connector (CN26) |
Cabling:

|
Search Keywords |
| |
|
Hint Category |
Hardware Maintenance Information | |
|
Date Created |
14-01-97 | |
|
Last Updated |
27-01-99 | |
|
Revision Date |
27-01-2000 | |
|
Brand |
IBM ThinkPad | |
|
Product Family |
ThinkPad Docking Stations | |
|
Machine Type |
3546 | |
|
Model |
001 | |
|
TypeModel |
| |
|
Retain Tip (if applicable) |
N/A | |
|
Reverse Doclinks |