57.188 bytes

Parts Information

Document ID: DDSE-42ZRA3

Netfinity 5500 M10 - Memory-Module Kits

Applicable to: World-Wide

Memory-Module Kits

Adding memory to your server is an easy way to make programs run faster. You can increase the amount of memory in your server by installing options called memory-module kits. Each kit contains one industry-standard, dual-inline memory module (DIMM).

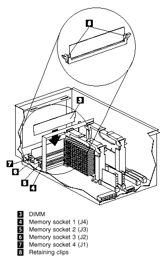
Your server uses a noninterleaved memory configuration. Your server comes with a memory-module installed on the processor board in connector J1, the connector nearest the rear of the server. Install additional memory modules in connectors J2, J3, and J4, in that order. (See the illustration on the next page for memory connector locations.) If you mix DIMM sizes, install the largest sized DIMM in connector J1, the next largest sized DIMM in connector J2, and so forth.

Notes
1. The memory-module kit sizes available for your server are 128 MB, 256 MB, and 512 MB. Your server supports a
minimum of 128 MB and a maximum of 2 GB of system memory.
2. Install only 3.3 V, 168-pin, 8-byte, registered DIMMs. Only 100 MHz, 72-bit, registered, synchronous, error correcting
code (ECC), x4 configuration DIMM memory is supported for the 128 MB, 256 MB, and 512 MB DIMMs.
3. Installing or removing memory modules changes the configuration information in the server. Therefore, after installing
or removing a DIMM, you must save the new configuration information in the Configuration/Setup program. When you
restart the server, the system displays a message indicating that the memory configuration has changed. Start the
Configuration/Setup program and select Save Settings. See "Using the Configuration/Setup Utility Main Menu"
for more information.


Refer to the following illustrations of the processor housing and the processor board while you perform the steps in this procedure.

Note
The illustrations show only the processor housing and processor board for simplicity; you do not need to remove the
processor housing and processor board to install a memory module.


Before you begin:
- Read "Safety Information".
- Read the documentation that comes with your option.

To install a memory module:
1. Turn off the server and peripheral devices and disconnect all external cables and power cords (see "Preparing to Install Options"); then remove the top cover.
2. Turn the two quarter-turn fasteners 2 on the processor housing cover 1 one quarter turn and remove the cover from the processor housing.
3. Locate the memory-module connectors on the memory board. Determine the memory-module connector into which you will install the memory module. (See the notes at the beginning of this procedure.)
4. Touch the static-protective package containing the memory-module kit to any unpainted metal surface on the server. Then, remove the memory module from the package.

Note
To avoid breaking the retaining clips or damaging the memory-module connectors, handle the clips gently.



5. Install the memory module:
a. Turn the memory module (DIMM) 3 so that the pins align correctly with the connector 6 .
b. Insert the DIMM into the connector by pressing on one edge of the DIMM and then on the other edge of the DIMM. Be
sure to press straight into the connector. The retaining clips 8 should snap into the closed positions.
c. Make sure the retaining clips 8 are in the closed position. If a gap exists between the DIMM and the retaining clips, the
DIMM has not been properly installed. In this case, open the retaining clips and remove the DIMM; then, reinsert the
DIMM.
d. Repeat these steps for each memory module that you install.

6. Install the processor housing cover 1 and turn the two quarter-turn fasteners 2 one quarter turn to secure the cover.
7. If you have other options to install or remove, do so now; otherwise, go to "Completing the Installation".

Search Keywords

Document Category

Memory

Date Created

09-12-98

Last Updated

09-12-98

Revision Date

09-12-99

Brand

IBM PC Server

Product Family

Netfinity 5500 M10

Machine Type

8661

Model

ALL

TypeModel

Retain Tip (if applicable)

Reverse Doclinks
and Admin Purposes