170.540 bytes

Service Hints & Tips

Document ID: PMYS-3LLS5T

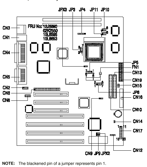
Aptiva - 2137 System board layout, connectors, and jumpers

Applicable to: World-Wide

This system board is used in all 2137 models with the exception of: E26, E2H, ED1, ED3, E51, E53.

System board jumper settings:

Processor jumper settings:

System Board Connector Functions

Connector

Function

Connect to...

CN1

Lower: PS/2 keyboard connector
Upper: PS/2 mouse connector

Keyboard
Mouse

CN2

Modem/voice-in connector

Modem card

CN3

Two universal serial bus (USB) connectors

USB devices

CN4

Upper: Printer port
Lower: Serial port (COM1), Video port

Printer
Serial device
Monitor

CN5

Upper: MIDI/game port
Lower: Line-out, line-in, mic-in ports

Joystick
Speaker/microphone

CN6

CD audio input connector

CD-ROM drive

CN8

ATI media connector (AMC)

Reserved

CN9

Modem ring-in wake-up connector

Modem card

CN10

Secondary IDE channel

CD-ROM drive

CN12

Hard disk LED connector
Connect the red wire to pin-1, white wire to pin-2, then leave pin-3, -4 as non-connected; or connect the red wire to pin-4, white wire to pin-3, then leave pin-1,-2 as non-connected.

Hard disk drive

CN13

Primary IDE channel

Hard disk drive

CN14

Power/suspend switch connector
This connector has no directional concern.

Power/suspend switch

CN15

Standby power connector

Power supply

CN16

Diskette connector

Diskette drive

CN17

Power LED connector. Connect the green wire to pin-12, white wire to pin-14.

Power LED

CN19

Sysstem board power connector

Power supply

FN1

Processor fan connector

CPU heat sink



Search Keywords

Hint Category

System Boards, Jumper/Switch Settings

Date Created

04-09-97

Last Updated

15-12-98

Revision Date

14-12-99

Brand

IBM Aptiva

Product Family

Aptiva

Machine Type

2137

Model

E46; E56; E2C; E4C; E5C; E84; E8F; ED2; EL1; EK1; EL2; EK2; E52; E60; E61; E63; E71; E73; E74; E75; E1A; E2A; E4A; E57; EQ1; EQ2; EQ3; EQ4; EV1; EG1; EV3; EG3; E03; E05; E06; E07; E08; E15; E1F; E25; E2F; E35; E3F; E45; E4F; E14; E16; E24; E34; E02; E04; E10; E11; E12; E13; E18; E19; E20; E21; E22; E23; E28; E30; E31; E32; E33; E41; E50; E17; E27; E37; E47; XX1; XX2; XX3; XX4; XX5; XX6; XX7; XX8; XX9; XXA

TypeModel

Retain Tip (if applicable)

Reverse Doclinks
and Admin Purposes