18.417 bytes

Product Information

Document ID: MCGN-3ZUSE4

Netfinity 7000 M10 - I/O Board Component Locations

Applicable to: World-Wide

Source: Hardware Maintenance Manual

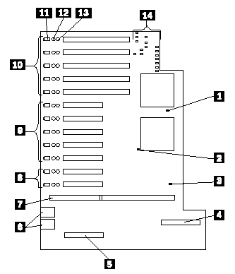
I/O Board Component Locations
A simplified layout of the I/O board is shown in the following illustration.

1

System Reset jumper J8
(Same as front panel reset)

2

Force PCI power-on for slot 11 jumper J9
For use with PCI cards without PCI presence detect)

3

Force System Power jumper J7
(With jumper installed, will power-on regardless of state of front panel)

4

IDE connector

5

System-management adapter slot

6

USB 1 and USB 2 port connectors

7

I/O function card slot

8

Hot-plug 32-bit PCI slots 11 - 12 (bus C)

9

Hot-plug 32-bit PCI slots 6 - 10 (bus B)

10

Hot-plug 64-bit PCI slots 1 - 5 (bus A)

11

Attention LED for PCI slot

12

Attention LED for PCI slot

13

Power LED for PCI slot

14

I/O Board LEDs (see I/O Board LEDs)



Search Keywords

Document Category

Diagrams

Date Created

02-11-98

Last Updated

18-01-99

Revision Date

18-01-2000

Brand

IBM PC Server

Product Family

Netfinity 7000 M10

Machine Type

8680

Model

all

TypeModel

Retain Tip (if applicable)

Reverse Doclinks
and Admin Purposes