|
277.122 bytes |
Service Hints & Tips |
Document ID: DETR-3ZXLQP |
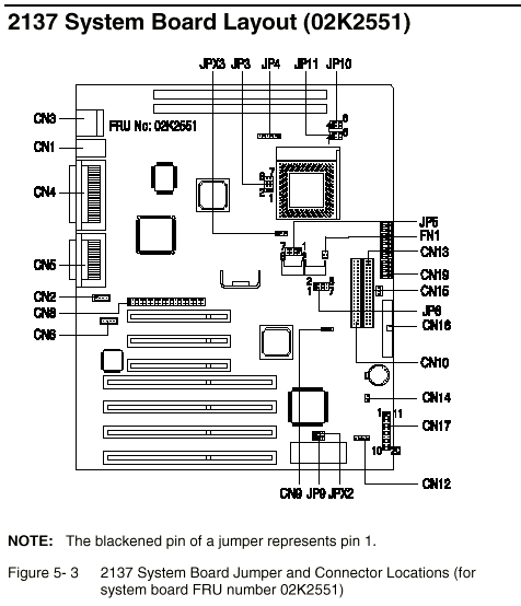
Aptiva - 2137 system board layout (P/N 02K2551)
Applicable to: World-Wide
This system board is used in the following 2137 models: E26, E2H, ED1, ED3, E51, E53.

|
Search Keywords |
| |
|
Hint Category |
System Boards, Jumper/Switch Settings, Processors, Hardware Installation/Configuration | |
|
Date Created |
05-11-98 | |
|
Last Updated |
14-12-98 | |
|
Revision Date |
14-12-99 | |
|
Brand |
IBM Aptiva | |
|
Product Family |
Aptiva | |
|
Machine Type |
2137 | |
|
Model |
E26; E2H; ED1; ED3; E51; E53 | |
|
TypeModel |
| |
|
Retain Tip (if applicable) |
| |
|
Reverse Doclinks |