37.260 bytes

Parts Information

Document ID: DDSE-42ZR76

Netfinity 7000 M10 - Processor Board Component Locations and Processor Board Jumpers

Applicable to: World-Wide

Source: Hardware Maintenance

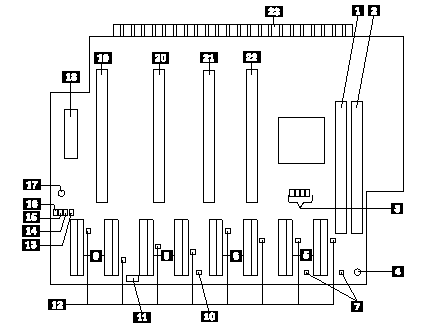
A simplified layout of the processor board is shown in the following illustration.

1

Memory board slot 1 connector (primary slot)

2

Memory board slot 2 connector (secondary slot)

3

Microprocessor core frequency selection
jumper block (J43-46)

4

Processor board power-good LED

5

Microprocessor voltage-regulator connectors
for microprocessor 4

6

Microprocessor voltage-regulator connectors
for microprocessor 3

7

Left LED = ERR 1, Right LED = ERR 0

8

Microprocessor voltage-regulator connectors
for microprocessor 2

9

Microprocessor voltage-regulator connectors
for microprocessor 1

10

Microprocessor termination LED

11

Power-good test jumper J5 (default pins 1-2)

12

Microprocessor voltage-regulator LEDs

13

Microprocessor bus activity LED for
microprocessor 4

14

Microprocessor bus activity LED for
microprocessor 3

15

Microprocessor bus activity LED for
microprocessor 2

16

Microprocessor bus activity LED for
microprocessor 1

17

2.5 Volt power-good LED

18

Power backplane connector

19

Microprocessor 1 socket

20

Microprocessor 2 socket

21

Microprocessor 3 socket

22

Microprocessor 4 socket

23

I/O board connector


Processor Board Jumpers

Table 13 describes the jumpers on the processor board. The highlighted numbers in the table correspond to the
highlighted numbers on the illustration in "Processor Board Component Locations".

Notes
1. Turn off the server, and disconnect the power cord before moving any jumpers.

2. Be sure the microprocessor bus-to-core ratio is set correctly. For example, if you have a 450
MHz microprocessor installed and the system bus speed is 100 MHz (the default), be sure that
the jumpers are set to a bus-to-core ratio of 4.5 (450/100). Refer to jumpers J43-J46 in Table 13.

3. Be sure to set the Microprocessor Core Frequency Selection jumper block for the slowest
speed microprocessor installed in your server. For example, if your server has a 400 MHz
microprocessor installed and you install three 450 MHz microprocessors, set the Microprocessor
Core Frequency Selection jumper block for the 400 MHz microprocessor.

MHz denotes internal clock speed of the microprocessor only; other factors also affect
application performance.




Attention
If the microprocessor bus-to-core ratio is incorrect, board components will overheat and
component damage might occur. Be sure that the microprocessor bus-to-core ratio jumper is properly set.




Table 13. Processor Board Jumpers

Jumper Name

Description

3 Microprocessor
core frequency
selection (J43-J46)

The default core/bus fraction is 4.0 (400/100 MHz). Jumpers are installed on pins 1 and 2 of J44, J45 and J46, and jumpers are installed on pins 2 and 3 of J43.

For the core/bus fraction 4.5 (450/100 MHz), the jumpers are installed 1 and 2 of J44, and J46, and jumpers are installed on pins 2 and 3 of J43 and J45.

All microprocessors of speed 450MHz and up will automatically set their internal speeds, so the switch setting in not applicable.



Search Keywords

Document Category

Processors

Date Created

09-12-98

Last Updated

21-05-99

Revision Date

19-03-2000

Brand

IBM PC Server

Product Family

Netfinity 7000 M10

Machine Type

8680

Model

ALL

TypeModel

Retain Tip (if applicable)

Reverse Doclinks
and Admin Purposes