|
63.669 bytes |
Service Hints & Tips |
Document ID: GSMH-3C8HZE |
|
This document is provided to IBM and our Business Partners to help sell and/or service IBM products. It is not to be distributed beyond that audience or used for any other purpose. |
TP General - N51 Locations
Applicable to: World-Wide
Locations:
System Board (Top View):
|
1 |
LCD Interface Connector |
|
2 |
System-Expansion Port (120-pin) |
|
3 |
Keyboard-Control Card Connector |
|
4 |
Battery Presence Switch |
|
5 |
LCD Interface Connector |
|
6 |
LCD Interface Connector |

|
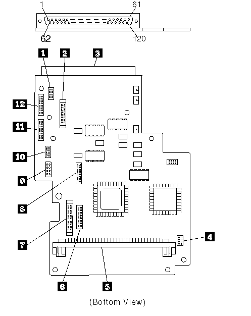
1 |
I/O Panel Connector |
|
2 |
Voltage Converter Connector |
|
3 |
System Expansion Port (120-pin) |
|
4 |
Password-Override Connector |
|
5 |
Memory-Module Kit Connector |
|
6 |
Hard-Disk Drive Connector |
|
7 |
Voltage Converter Connector |
|
8 |
Hard-Disk Drive Connector |
|
9 |
Diskette-Drive Connector |
|
10 |
Diskette-Drive Connector |
|
11 |
I/O Panel Connector |
|
12 |
I/O Panel Connector |
|
Search Keywords |
| |
|
Hint Category |
Hardware Maintenance Information | |
|
Date Created |
10-12-96 | |
|
Last Updated |
01-05-98 | |
|
Revision Date |
28-04-99 | |
|
Brand |
IBM ThinkPad | |
|
Product Family |
Notebook N51 | |
|
Machine Type |
8551 | |
|
Model |
Various | |
|
TypeModel |
| |
|
Retain Tip (if applicable) |
N/A | |
|
Reverse Doclinks |