|
26.378 bytes |
Service Hints & Tips |
Document ID: COBN-3G5DGF |
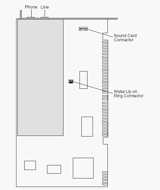
Aptiva - 2161/62 modem card diagram & connectors
Applicable to: World-Wide
Modem Card
Figure 5-10. 33.6 Kbps DSVD Modem Card
The 33.6 Kbps (Digital Simultaneous Voice and Data) modems operate FAX at
14.4 Kbps. COM ports, Diagnostics, and more information about the 33.6 Kbps modem is under the
Windows 95 Control Panel.
For modem check procedures, see Factory-Installed Modem Adapter— on page 2-49 of the Hardware Maintenence Manual for 2161 service level A systems.
|
Search Keywords |
| |
|
Hint Category |
Modems | |
|
Date Created |
14-04-97 | |
|
Last Updated |
14-12-98 | |
|
Revision Date |
14-12-99 | |
|
Brand |
IBM Aptiva | |
|
Product Family |
Aptiva | |
|
Machine Type |
2161, 2162 | |
|
Model |
| |
|
TypeModel |
| |
|
Retain Tip (if applicable) |
| |
|
Reverse Doclinks |